关于天龙
集团简介
企业文化
组织架构
资质荣誉
子公司
产业布局
数字传媒
油墨化工
林产化工
解决方案
资讯中心
社会责任
投资者关系
招贤纳士
联系我们
| 股票代码:300063
3.91
-0.01
-0.26%
公司公告
返回
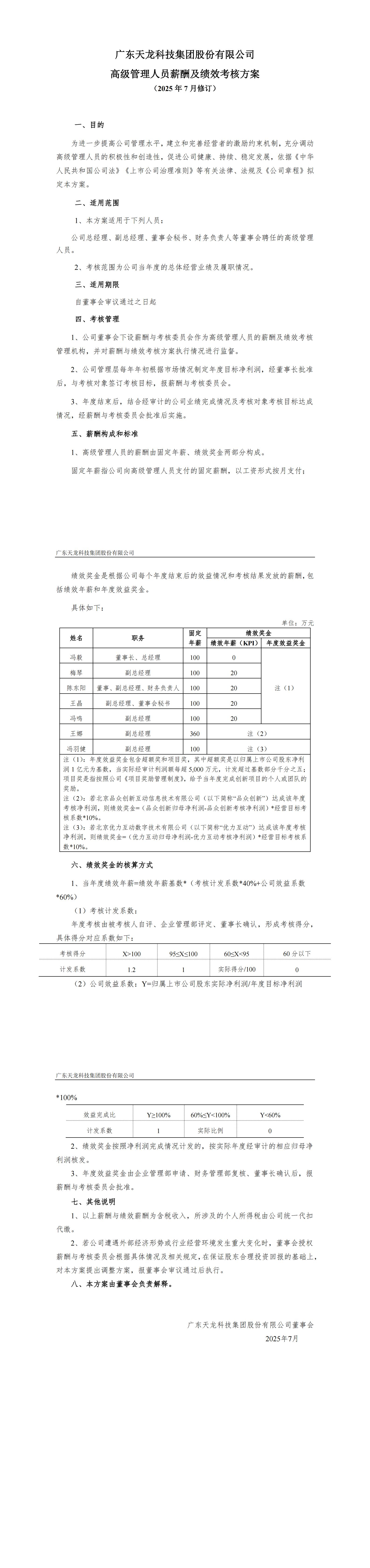
广东天龙科技集团股份有限公司高级管理人员薪酬及绩效考核方案(2025年7月)
2025-08-18 08:57
广东天龙科技集团股份有限公司高级管理人员薪酬及绩效考核方案(2025年7月)